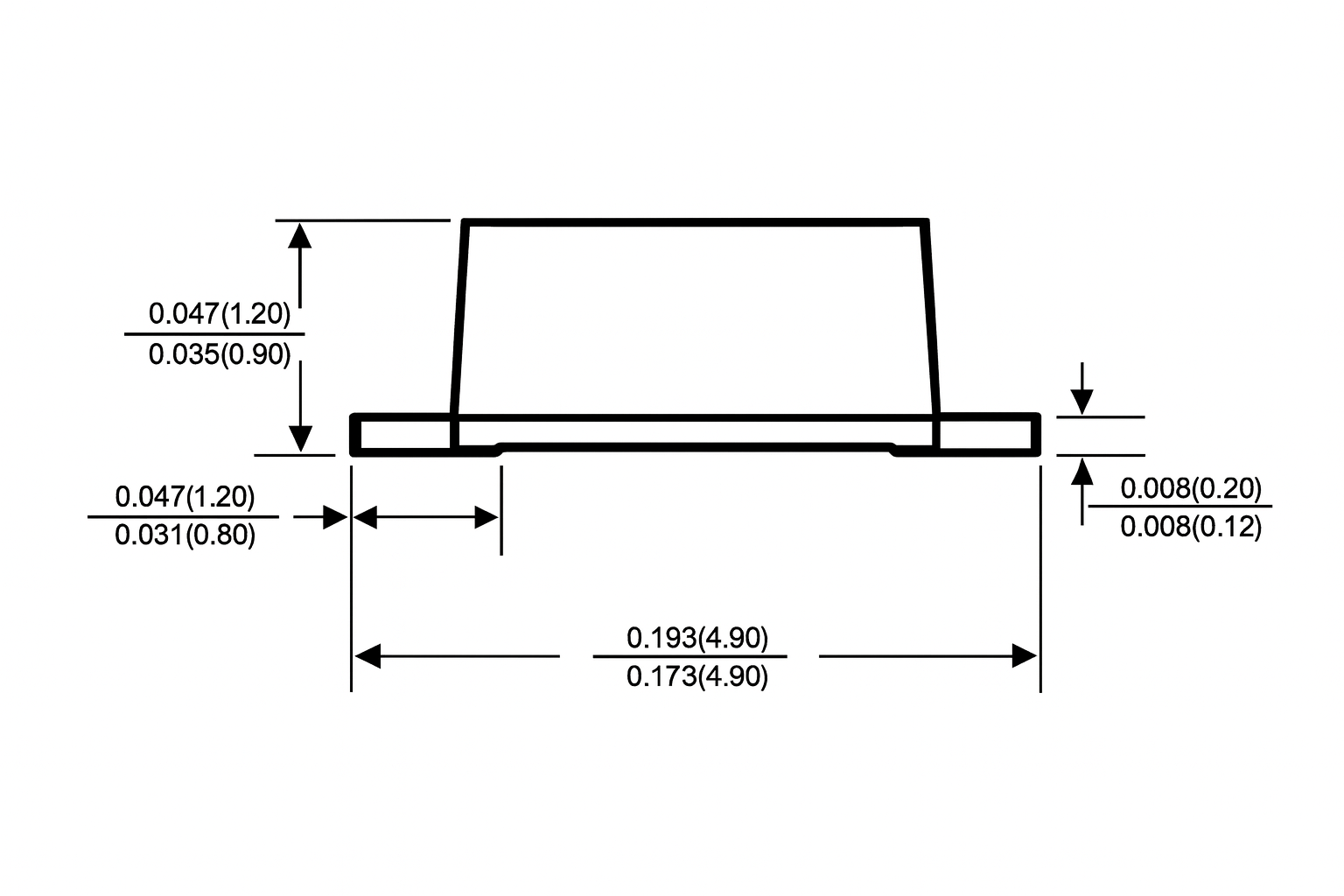
| 40V | VRRM |
| 28V | VRMS |
| 40V | VDC |
| 1A | IF(AV) |
| 25A | IFSM |
| 0.55V | VF |
| (25=0.3mA(TA (100=10mA(TA |
IR |

روش های پرداخت این محصول
- پرداخت آنلاین
- پرداخت در محل ( فقط در تبریز)
روش های ارسال
- ارسال با پست
- ارسال با باربری
- ارسال با تیپاکس
- ارسال با TPX
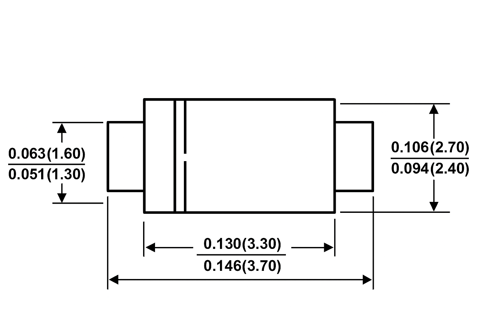
| 40V | VRRM |
| 28V | VRMS |
| 40V | VDC |
| 1A | IF(AV) |
| 25A | IFSM |
| 0.55V | VF |
| (25=0.3mA(TA (100=10mA(TA |
IR |
